
Ref: EWTGUET280
ET 280 Electrolyseur pour production d'hydrogène 500 NL/h, 35 bar max (AEM)
Banc mobile, logiciel d'acquisition, sytème de traitement de l'eau
La production dhydrogène à partir dénergie provenant de sources renouvelables est considérée comme un processus clé pour une économie durable.
Le banc dessai ET 280 peut être utilisé avec le système énergétique pour lélectricité solaire et éolienne ET 255 et ses composants.
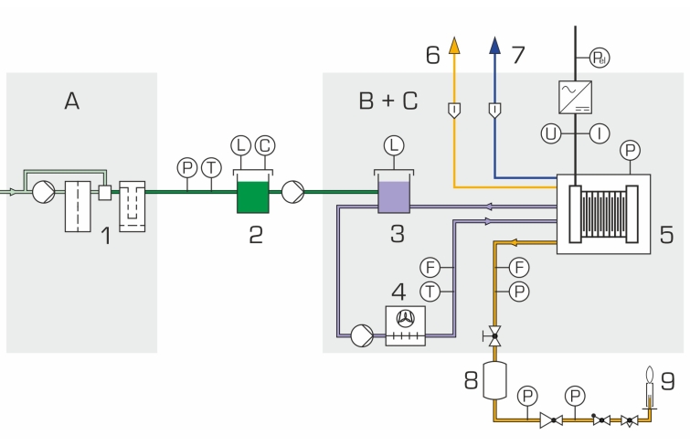
ET 280 contient un électrolyseur dans lequel leau (H2O) est décomposée en hydrogène (H2) et en oxygène (O2) à laide de la technologie de la membrane échangeuse danions (AEM).
Le composant central est un stack composé de plusieurs cellules reliées en série et de type bipolaire.
La demi-cellule anodique est remplie dune solution délectrolyte aqueuse; la demi-cellule cathodique ne contient pas de liquide.
Entre les demi-cellules se trouve une membrane échangeuse danions.
Leau de la solution électrolytique traverse la membrane.
De lhydrogène est produit à la cathode.
Lhydrogène généré est brûlé en toute sécurité dans un brûleur bien protégé.
Du côté anodique, il se forme de loxygène qui est évacué de la pile.
Le système de gestion de lénergie fourni sert à surveiller et à contrôler lélectrolyseur.
Pour garantir la qualité de leau requise, le banc dessai comprend un système dosmose inverse et un échangeur dions pour la purification de leau brute.
Ainsi, leau du robinet habituellement utilisée dans les laboratoires peut être utilisée pour le fonctionnement de lélectrolyseur.
Une combinaison avec ET 255 permet de réaliser des études sur lefficacité globale du système et sert de principe de base à la conception dune couverture réseau adaptée aux besoins.
LET 280 est commandé par le logiciel GUNT sur un PC externe (non fourni) connecté via une interface réseau.
Les valeurs de mesure pour le débit et la pression de lhydrogène ainsi que le courant et la tension sur lélectrolyseur sont surveillées et transmises au logiciel GUNT.
Le logiciel GUNT est compatible réseau et permet de suivre, denregistrer et dévaluer les essais sur un nombre illimité de postes de travail via le réseau propre au client.
Le GUNT Media Center met à disposition un vaste matériel didactique multimédia.
Le banc dessai ET 280 peut être utilisé avec le système énergétique pour lélectricité solaire et éolienne ET 255 et ses composants.
ET 280 contient un électrolyseur dans lequel leau (H2O) est décomposée en hydrogène (H2) et en oxygène (O2) à laide de la technologie de la membrane échangeuse danions (AEM).
Le composant central est un stack composé de plusieurs cellules reliées en série et de type bipolaire.
La demi-cellule anodique est remplie dune solution délectrolyte aqueuse; la demi-cellule cathodique ne contient pas de liquide.
Entre les demi-cellules se trouve une membrane échangeuse danions.
Leau de la solution électrolytique traverse la membrane.
De lhydrogène est produit à la cathode.
Lhydrogène généré est brûlé en toute sécurité dans un brûleur bien protégé.
Du côté anodique, il se forme de loxygène qui est évacué de la pile.
Le système de gestion de lénergie fourni sert à surveiller et à contrôler lélectrolyseur.
Pour garantir la qualité de leau requise, le banc dessai comprend un système dosmose inverse et un échangeur dions pour la purification de leau brute.
Ainsi, leau du robinet habituellement utilisée dans les laboratoires peut être utilisée pour le fonctionnement de lélectrolyseur.
Une combinaison avec ET 255 permet de réaliser des études sur lefficacité globale du système et sert de principe de base à la conception dune couverture réseau adaptée aux besoins.
LET 280 est commandé par le logiciel GUNT sur un PC externe (non fourni) connecté via une interface réseau.
Les valeurs de mesure pour le débit et la pression de lhydrogène ainsi que le courant et la tension sur lélectrolyseur sont surveillées et transmises au logiciel GUNT.
Le logiciel GUNT est compatible réseau et permet de suivre, denregistrer et dévaluer les essais sur un nombre illimité de postes de travail via le réseau propre au client.
Le GUNT Media Center met à disposition un vaste matériel didactique multimédia.
Contenu didactique / Essais
- conversion de lénergie électrique en énergie chimique
- fonction et structure dun système délectrolyse pour la génération de H2
- relations entre les paramètres de fonctionnement de lélectrolyseur
- influences sur la puissance des électrolyseurs
- enregistrement et visualisation de toutes les caractéristiques pertinentes
- calcul des paramètres pertinents
- calcul du bilan énergétique
Les grandes lignes
- électrolyse AEM pour la production dhydrogène
- purification de leau brute par osmose inverse et un échangeur dions
- combinaison avec le système énergétique pour lélectricité solaire et éolienne ET 255
Les caractéristiques techniques
Électrolyseur
- capacité de production: max. 500NL/h
- pression de sortie: max. 35bar
- puissance absorbée en fonctionnement: 2,4kW
- émission de chaleur: 0,6kW
- consommation deau: 420mL/h à 25°C
Système de purification de leau brute
- conductivité: max. 5ìS/cm
- puissance absorbée: 200W
- débit de refoulement: 2L/min
- pression de service: max. 4bar
- température de leau: +5°C…+30°C
- température ambiante: +5°C…+40°C
Plages de mesure
- courant: 0…16A
- puissance: 0…4000W
- débit: hydrogène 0…800L/h
- pression: hydrogène 0…60bar
230V, 50Hz, 1 phase; 230V, 60Hz, 1 phase
- conversion de lénergie électrique en énergie chimique
- fonction et structure dun système délectrolyse pour la génération de H2
- relations entre les paramètres de fonctionnement de lélectrolyseur
- influences sur la puissance des électrolyseurs
- enregistrement et visualisation de toutes les caractéristiques pertinentes
- calcul des paramètres pertinents
- calcul du bilan énergétique
Les grandes lignes
- électrolyse AEM pour la production dhydrogène
- purification de leau brute par osmose inverse et un échangeur dions
- combinaison avec le système énergétique pour lélectricité solaire et éolienne ET 255
Les caractéristiques techniques
Électrolyseur
- capacité de production: max. 500NL/h
- pression de sortie: max. 35bar
- puissance absorbée en fonctionnement: 2,4kW
- émission de chaleur: 0,6kW
- consommation deau: 420mL/h à 25°C
Système de purification de leau brute
- conductivité: max. 5ìS/cm
- puissance absorbée: 200W
- débit de refoulement: 2L/min
- pression de service: max. 4bar
- température de leau: +5°C…+30°C
- température ambiante: +5°C…+40°C
Plages de mesure
- courant: 0…16A
- puissance: 0…4000W
- débit: hydrogène 0…800L/h
- pression: hydrogène 0…60bar
230V, 50Hz, 1 phase; 230V, 60Hz, 1 phase
Poids: 180 Kg Delai de livraison estimé : 16 semaines






