
Ref: EWTGUET282
ET 282 Electrolyseur pour production d'hydrogène 1m3/h, 40 bar max (PEM), traitement et stockage
Banc mobile, logiciel d'acquisition, sytème de traitement de l'eau
Dans les systèmes dapprovisionnement en énergie présentant un excédent dénergie électrique provenant de sources renouvelables, lhydrogène peut être produit à faible coût par électrolyse et servir ultérieurement de réserve dénergie en cas de besoin.
Lélectrolyse PEM est un procédé électrochimique répandu pour produire de lhydrogène dans lindustrie.
Leau (H2O) est alors décomposée en hydrogène (H2) et en oxygène (O2) à laide de la membrane échangeuse de protons.
LET 282 contient tous les éléments nécessaires pour étudier la production dhydrogène à léchelle industrielle.
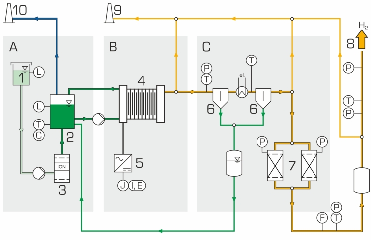
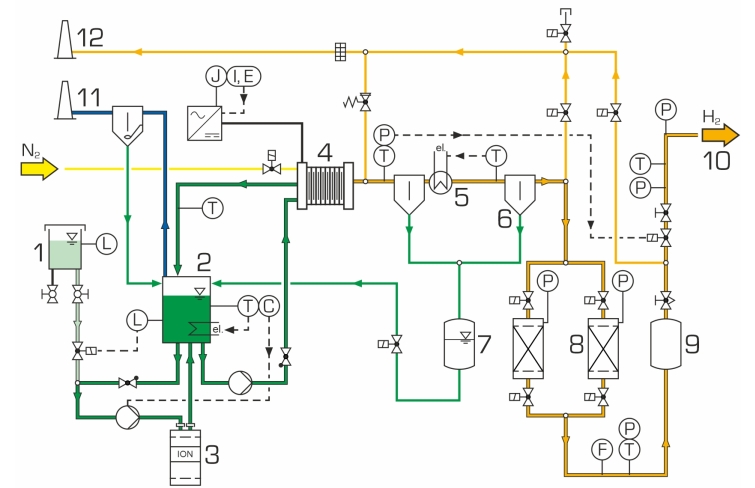
Les étapes typiques du procédé sont les suivantes: traitement de leau, production dhydrogène ainsi que traitement et stockage de lhydrogène.
Lors du traitement de leau, un échangeur dions permet de produire de leau ultra-pure pour le processus.
La production dhydrogène seffectue dans un électrolyseur PEM alimenté par une source de tension électrique continue.
Lhydrogène fortement saturé en eau est ensuite traité avec des séparateurs deau, une section de refroidissement et une unité de séchage pour un stockage intermédiaire dans un réservoir tampon.
Pour une utilisation ultérieure, lhydrogène peut être transvasé du réservoir tampon dans une bouteille de gaz.
Lhydrogène non utilisé ou en excès est évacué en toute sécurité par une conduite de purge.
Pour un entretien de lunité de séchage, deux filtres adsorbants sont installés en parallèle.
La durée dutilisation restante des filtres est saisie et affichée.
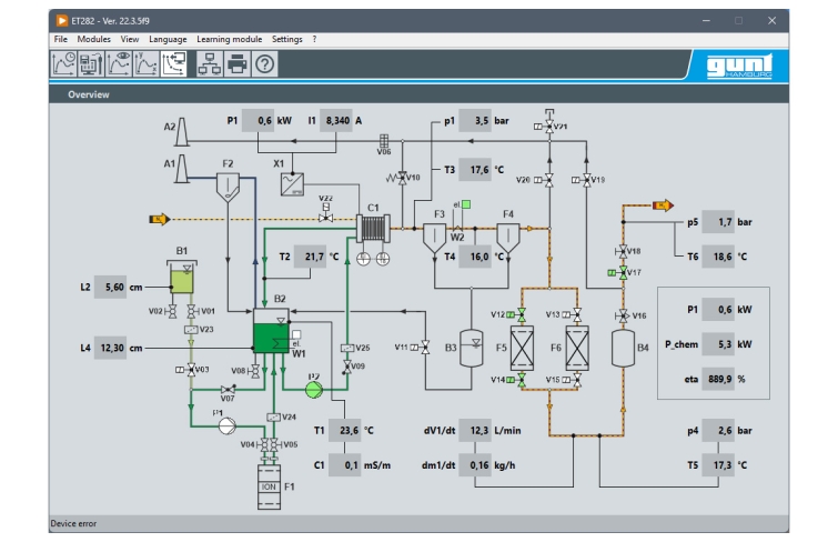
Linstallation dessai est commandée et utilisée via le logiciel GUNT (PC externe nécessaire).
Le niveau, la température et la conductivité de leau ultra-pure sont surveillés.
De même, les valeurs de mesure du débit, de la température et de la pression de lhydrogène ainsi que du courant et de la tension au niveau de lélectrolyseur sont enregistrées.
Un bilan énergétique est réalisé à laide du logiciel GUNT.
Lélectrolyse PEM est un procédé électrochimique répandu pour produire de lhydrogène dans lindustrie.
Leau (H2O) est alors décomposée en hydrogène (H2) et en oxygène (O2) à laide de la membrane échangeuse de protons.
LET 282 contient tous les éléments nécessaires pour étudier la production dhydrogène à léchelle industrielle.
Les étapes typiques du procédé sont les suivantes: traitement de leau, production dhydrogène ainsi que traitement et stockage de lhydrogène.
Lors du traitement de leau, un échangeur dions permet de produire de leau ultra-pure pour le processus.
La production dhydrogène seffectue dans un électrolyseur PEM alimenté par une source de tension électrique continue.
Lhydrogène fortement saturé en eau est ensuite traité avec des séparateurs deau, une section de refroidissement et une unité de séchage pour un stockage intermédiaire dans un réservoir tampon.
Pour une utilisation ultérieure, lhydrogène peut être transvasé du réservoir tampon dans une bouteille de gaz.
Lhydrogène non utilisé ou en excès est évacué en toute sécurité par une conduite de purge.
Pour un entretien de lunité de séchage, deux filtres adsorbants sont installés en parallèle.
La durée dutilisation restante des filtres est saisie et affichée.
Linstallation dessai est commandée et utilisée via le logiciel GUNT (PC externe nécessaire).
Le niveau, la température et la conductivité de leau ultra-pure sont surveillés.
De même, les valeurs de mesure du débit, de la température et de la pression de lhydrogène ainsi que du courant et de la tension au niveau de lélectrolyseur sont enregistrées.
Un bilan énergétique est réalisé à laide du logiciel GUNT.
Contenu didactique / Essais
- conversion de lénergie électrique en énergie chimique (hydrogène) à léchelle industrielle
- fonction et structure dun système délectrolyse avec des éléments typiques
- production de H2 au moyen dun électrolyseur PEM
- relations entre les paramètres de fonctionnement de lélectrolyseur
- influences sur la puissance des électrolyseurs
- enregistrement et visualisation de toutes les caractéristiques pertinentes
- calcul des paramètres pertinents
- détermination du bilan énergétique
- conversion de lénergie électrique en énergie chimique (hydrogène) à léchelle industrielle
- fonction et structure dun système délectrolyse avec des éléments typiques
- production de H2 au moyen dun électrolyseur PEM
- relations entre les paramètres de fonctionnement de lélectrolyseur
- influences sur la puissance des électrolyseurs
- enregistrement et visualisation de toutes les caractéristiques pertinentes
- calcul des paramètres pertinents
- détermination du bilan énergétique
Poids: 165 Kg Delai de livraison estimé : 16 semaines




